EQ1090型汽车前桥拆装实训
一、 实训目的与要求
1. 熟悉EQ1090型汽车前桥的结构和工作情况。
2. 了解转向轮定位参数及测M方法。
3. 掌握止确的拆装顺序与方法。
二、 EQ1090型汽车前桥结构简介及技术标准•
(一)结构(如图1所示)
(二)EQ1090型汽车前桥技术要求
1. 前轴、转向节和转向节臂均应进行探伤检查,不得存有裂纹,前轴钢板弹簧座平面如 磨损下陷时应修平,但厚度减少不得超过2 mm,主销孔端面厚度减少不得超过2 mm。
2. 转向节主销孔同衬套为过盈配合。转向节主销同衬套的配合间隙为0.的5?
0. 077 mm,并保证上、下孔的轴线同轴度偏差不大于〇• 〇2 mm。转向节端头螺纹损伤不得多
于2牙。
3. 转向节主销孔两内端面对其公共轴线的端面圆跳动,上端面应不大于0. 15 mm,下 端面应不大于〇. 10 mm。前轴主销孔端面对轴线的端向圆跳动,上端面应不大于
0. 15 mm,下端面应不大于0. 08 mm。转向节主销孔端面同前轴上端面装配后的间隙一般 应不大于〇. 10 mm。前轴主销承孔磨损超过0. 05 mm时,应按分级修理尺寸修理,并换装 相应的转向节主销。
4. 制动鼓不得有裂纹或变形,N—轴的左右两制动鼓内径相差应不大于1 mm。
5. 制动蹄支承销同车轮旋转轴线的平行度偏差应不大于0.20 mm。支承销M制动蹄 销孔的配合间隙为〇. 06?0. 175 mm,支承销㈣底板销孔的呪合间隙为〇. 〇2「>?0• 13 mm。
6. 制动蹄不得有变形和裂纹•弧度正确•制动蹄摩擦片厚度小得小于原厂蚬定。摩 擦片光磨后同制动鼓的接触面积应在50%以丨> 汴保持两端接触。
7. 气制动的制动蹄同制动凸轮的接触面磨损不得大于0. 30 mm.
8. 横、直拉杆不应有裂纹或其他损伤。
三、 EQ1090型汽车前桥实训器材
1. EQ1090(或CA1091)型汽车前桥;
2. 梅花扳手、呆扳手,手锤、鲤鱼钳,平口錾、起子、转向节螺母专用扳手• !:-簧钳、拉寶 钳和厚薄规等。
四、 EQ1090型汽车前桥拆装方法及步骤
1. 拆下防尘盖,旋下转向节螺母,取出外轴承后卸F制动鼓和轮毂.W取下转向V』内轴 承和油封。拆旋螺母时要使用专用扳手,不准使用錾子。
2. 用拉簧钳(或S形钩)拆下制动蹄回位弹簧(不能用起 来拆回位弹簧,以免弹簧突 然弹出伤人),接着拆下制动蹄支承销,取下制动蹄再拆下制动分泵•最G•拆卸制动底板。
3. 取下转向臂上球销螺母,拆卸横直拉杆。转向臂是否取下视情况而定。
4. 拆下前轴上主销盖板,取出楔形锁销,用手锤锤击铜棒来取出主销,取下转l(ij节和 下耳部位的止推轴承•如转向节的转角限位螺钉无损坏可不拆下。
5. 清洗前轴主销孔、转向节、转向节主销、前后轮毂轴承、制动蹄支承销、制动凸轮等零 件,并检查零件的磨损程度,确定是否nj*用。
横直拉杆和制动分泵做专门的清洗检查(皮膜严禁用汽油清洗)•制动蹄要检查摩擦片, 当摩擦片磨损到距铆钉头0.50 mm时应更换新片,铆好后再按技术标准修整.对制动鼓要 检查内径以及圆度、圆柱度,如超出技术标准规定应镗削修整。
前轴和转向节上的主销孔,经检查如不符合技术标准可换配加大的主销或对前轴上主 销孔进行镶套,转向节换主销衬套后应加工到规定尺寸。
6. 按分解时相反顺序进行装配。装主销时应在主销表®涂上机油,以手锤击铜棒将主 销装入转向节和前轴的主销孔内。转向节同前轴之间的调整垫片厚度应选择为保证转向节 主销孔端面同前轴上端面间的间隙符合技术标准。装楔形锁销时拧螺母的力矩一般为 20?40 N • m,楔形锁销大端应露出孔外不少于2 mm,然后装好主销孔上下盖板。
7•接着装制动底板、制动分泵、油封和内轴承,装轴承时孔内要涂润滑脂,再装制动蹄 支承销、制动蹄、制动蹄回位弹簧。装制动蹄时应将支承销转到使制动蹄处于最小直径的位 置,然后套上制动鼓和轮毂,装上前轴承、凋整螺母、止锁垫圈和锁紧螺母。
8.调整轮毂的轴向间隙。装制动鼓和轮毂旋紧调整螺母时应左右转动轮毂,使轴承滚 子锥曲正确地位于轴承外_的锥面上。当调整螺母旋到使轮毂转动困难时退出1/4圈左 心,让螺母七的止动销落在锁环的孔内,最后旋紧止锁螺母。此时用双手拉动轮_时无轴向 窜动感觉,且轮毂转动轻松,无阻滞现象即为调整合格。
9. 装上横直拉杆时须拧紧横直拉杆球销上的螺母,安上开口销。
10.调整制动摩擦片同制动鼓间的间隙,使之符合技术标准。应使制动蹄上端的间隙 较下端的间隙稍小。
11. 调整前轮前啦。调整时先将轮胎充气至规定气转向器和轮毂轴承也应调整到 清除间隙的正常状态。凋好前束后横拉杆用紧固螺钉锁紧。
12. 修理前桥时应使前轴放置稳妥,防止倾倒伤人,装拆制动鼓时要看清周围有无障
碍.做好安全工作。
CA1091型汽车前桥拆装工艺参照EQ1090型汽车前桥,如图2所示。
五、 注意事项
严格拆装程序,注意操作安全。
1. 熟悉EQ1090型汽车前桥的结构和工作情况。
2. 了解转向轮定位参数及测M方法。
3. 掌握止确的拆装顺序与方法。
二、 EQ1090型汽车前桥结构简介及技术标准•
(一)结构(如图1所示)
图1丨EQ1090型汽车前桥结构示意图
1-锁紧螺母;2-止动垫阁;3-锁紧染圈;4-轴承调整螺母;5-轮毂外轴 承;6-轮毂内轴承;7-油封内座圈;8-前轮毂油封;9-油封外圈;10-左 转向节;11-转向节上臂;12-滑脂嘴(9处);13-转向直拉杆;14-止推垫 块;15-弹簧及座;16-球头销座;17-球头销;18-螺塞;19-前轴;20- 左转向节臂;21-横拉杆球头防尘罩座圈;22-球头销;23-下球碗;24-上球碗;25-锥弹簧;26-限位套;27-螺塞(二)EQ1090型汽车前桥技术要求
1. 前轴、转向节和转向节臂均应进行探伤检查,不得存有裂纹,前轴钢板弹簧座平面如 磨损下陷时应修平,但厚度减少不得超过2 mm,主销孔端面厚度减少不得超过2 mm。
2. 转向节主销孔同衬套为过盈配合。转向节主销同衬套的配合间隙为0.的5?
0. 077 mm,并保证上、下孔的轴线同轴度偏差不大于〇• 〇2 mm。转向节端头螺纹损伤不得多
于2牙。
3. 转向节主销孔两内端面对其公共轴线的端面圆跳动,上端面应不大于0. 15 mm,下 端面应不大于〇. 10 mm。前轴主销孔端面对轴线的端向圆跳动,上端面应不大于
0. 15 mm,下端面应不大于0. 08 mm。转向节主销孔端面同前轴上端面装配后的间隙一般 应不大于〇. 10 mm。前轴主销承孔磨损超过0. 05 mm时,应按分级修理尺寸修理,并换装 相应的转向节主销。
4. 制动鼓不得有裂纹或变形,N—轴的左右两制动鼓内径相差应不大于1 mm。
5. 制动蹄支承销同车轮旋转轴线的平行度偏差应不大于0.20 mm。支承销M制动蹄 销孔的配合间隙为〇. 06?0. 175 mm,支承销㈣底板销孔的呪合间隙为〇. 〇2「>?0• 13 mm。
6. 制动蹄不得有变形和裂纹•弧度正确•制动蹄摩擦片厚度小得小于原厂蚬定。摩 擦片光磨后同制动鼓的接触面积应在50%以丨> 汴保持两端接触。
7. 气制动的制动蹄同制动凸轮的接触面磨损不得大于0. 30 mm.
8. 横、直拉杆不应有裂纹或其他损伤。
三、 EQ1090型汽车前桥实训器材
1. EQ1090(或CA1091)型汽车前桥;
2. 梅花扳手、呆扳手,手锤、鲤鱼钳,平口錾、起子、转向节螺母专用扳手• !:-簧钳、拉寶 钳和厚薄规等。
四、 EQ1090型汽车前桥拆装方法及步骤
1. 拆下防尘盖,旋下转向节螺母,取出外轴承后卸F制动鼓和轮毂.W取下转向V』内轴 承和油封。拆旋螺母时要使用专用扳手,不准使用錾子。
2. 用拉簧钳(或S形钩)拆下制动蹄回位弹簧(不能用起 来拆回位弹簧,以免弹簧突 然弹出伤人),接着拆下制动蹄支承销,取下制动蹄再拆下制动分泵•最G•拆卸制动底板。
3. 取下转向臂上球销螺母,拆卸横直拉杆。转向臂是否取下视情况而定。
4. 拆下前轴上主销盖板,取出楔形锁销,用手锤锤击铜棒来取出主销,取下转l(ij节和 下耳部位的止推轴承•如转向节的转角限位螺钉无损坏可不拆下。
5. 清洗前轴主销孔、转向节、转向节主销、前后轮毂轴承、制动蹄支承销、制动凸轮等零 件,并检查零件的磨损程度,确定是否nj*用。
横直拉杆和制动分泵做专门的清洗检查(皮膜严禁用汽油清洗)•制动蹄要检查摩擦片, 当摩擦片磨损到距铆钉头0.50 mm时应更换新片,铆好后再按技术标准修整.对制动鼓要 检查内径以及圆度、圆柱度,如超出技术标准规定应镗削修整。
前轴和转向节上的主销孔,经检查如不符合技术标准可换配加大的主销或对前轴上主 销孔进行镶套,转向节换主销衬套后应加工到规定尺寸。
6. 按分解时相反顺序进行装配。装主销时应在主销表®涂上机油,以手锤击铜棒将主 销装入转向节和前轴的主销孔内。转向节同前轴之间的调整垫片厚度应选择为保证转向节 主销孔端面同前轴上端面间的间隙符合技术标准。装楔形锁销时拧螺母的力矩一般为 20?40 N • m,楔形锁销大端应露出孔外不少于2 mm,然后装好主销孔上下盖板。
7•接着装制动底板、制动分泵、油封和内轴承,装轴承时孔内要涂润滑脂,再装制动蹄 支承销、制动蹄、制动蹄回位弹簧。装制动蹄时应将支承销转到使制动蹄处于最小直径的位 置,然后套上制动鼓和轮毂,装上前轴承、凋整螺母、止锁垫圈和锁紧螺母。
8.调整轮毂的轴向间隙。装制动鼓和轮毂旋紧调整螺母时应左右转动轮毂,使轴承滚 子锥曲正确地位于轴承外_的锥面上。当调整螺母旋到使轮毂转动困难时退出1/4圈左 心,让螺母七的止动销落在锁环的孔内,最后旋紧止锁螺母。此时用双手拉动轮_时无轴向 窜动感觉,且轮毂转动轻松,无阻滞现象即为调整合格。
9. 装上横直拉杆时须拧紧横直拉杆球销上的螺母,安上开口销。
10.调整制动摩擦片同制动鼓间的间隙,使之符合技术标准。应使制动蹄上端的间隙 较下端的间隙稍小。
11. 调整前轮前啦。调整时先将轮胎充气至规定气转向器和轮毂轴承也应调整到 清除间隙的正常状态。凋好前束后横拉杆用紧固螺钉锁紧。
12. 修理前桥时应使前轴放置稳妥,防止倾倒伤人,装拆制动鼓时要看清周围有无障
碍.做好安全工作。
CA1091型汽车前桥拆装工艺参照EQ1090型汽车前桥,如图2所示。
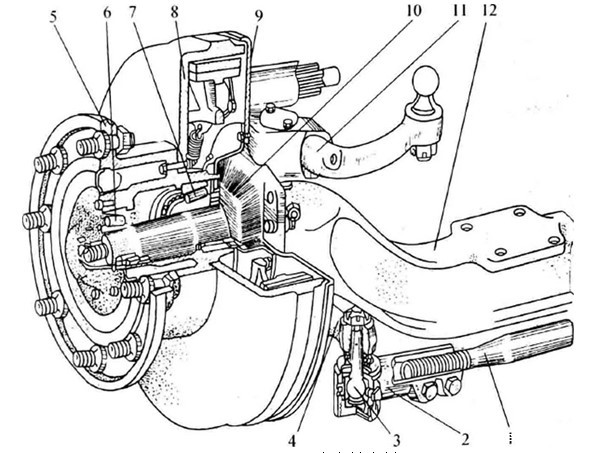
图2 CAI091汽车转向桥
1-转向横拉扞;2-横拉扦接头;3-横拉杆球头销;4-梯形臂;5-轮 毂;6-轮毂轴承;7-前轮毂内轴承;8-制动鼓;9-制动底板;10-转向 节;11-转向节臂;12-前轴
五、 注意事项
严格拆装程序,注意操作安全。
下一篇:行驶系统之汽车前桥及主要部件的磨损
上一篇:东风EQ1090E型汽车前桥
18luck在线娱乐网推荐
相关行业新闻
- 18luck在线娱乐网隆重举行2025年庆七一 不忘初心.牢记使命爱国、爱厂、爱家优秀党员表彰大会
- 车桥厂家新突破,18luck在线娱乐网助力商用汽车智能化升级
- 18luck在线娱乐网公司商用车桥事业部举行自动化人才培养签约仪式
- 18luck在线娱乐网2025年度“义和巾帼标兵”表彰会
- 双奖加冕铸就行业标杆 18luck在线娱乐网以硬核实力领跑汽车零部件赛道
- 车桥技术新趋势:轻量化、智能化引领未来,18luck在线娱乐网持续创新
- 2025年18luck在线娱乐网董事长新春贺词
- 北汽福田汽车又给18luck在线娱乐网颁奖了
- 吉利新能源商用车与18luck在线娱乐网达成战略合作
- 18luck在线娱乐网长维护轮端实现10万公里保养间隔












义和公众号
义和旺铺
移动官网
鲁公网安备 37078202000046号